首页
产品展示
扎带系列
标识系列
接线端子系列
电缆保护系列
其他系列
应用案例
新闻中心
资料下载
关于我们
联系我们
English
搜索产品
产品分类
扎带系列
标识系列
接线端子系列
电缆保护系列
其他系列
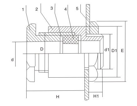
标准TJ夹紧填料函
产品参数
返回
采用标准:GB/T3667、1-1995
材质采用黄铜镀镍
材质可按客户选取
特殊规格可订做
标准TJ夹紧填料函资料
点击下载